禾益HRF-Ex防爆型自動卷繞式過濾器是應用于化工廠等具有易燃易爆介質隱患行業的特殊過濾器設備。本產品以新型無紡布為過濾介質,以過濾器前后的壓差信號經運算后控制濾料自動更換的一種大風量初效空氣過濾設備。
HRF-Ex防爆型自動卷繞式過濾器設計新穎,結構合理,使用維護方便,便于運輸和組裝。過濾器采用人字型或平面型結構,以增加有效過濾面積,滿足大風量過濾設計要求。所用濾材強度高,化學穩定性好,在火災情況下燃燒時不產生有毒有害物質,經久耐用。
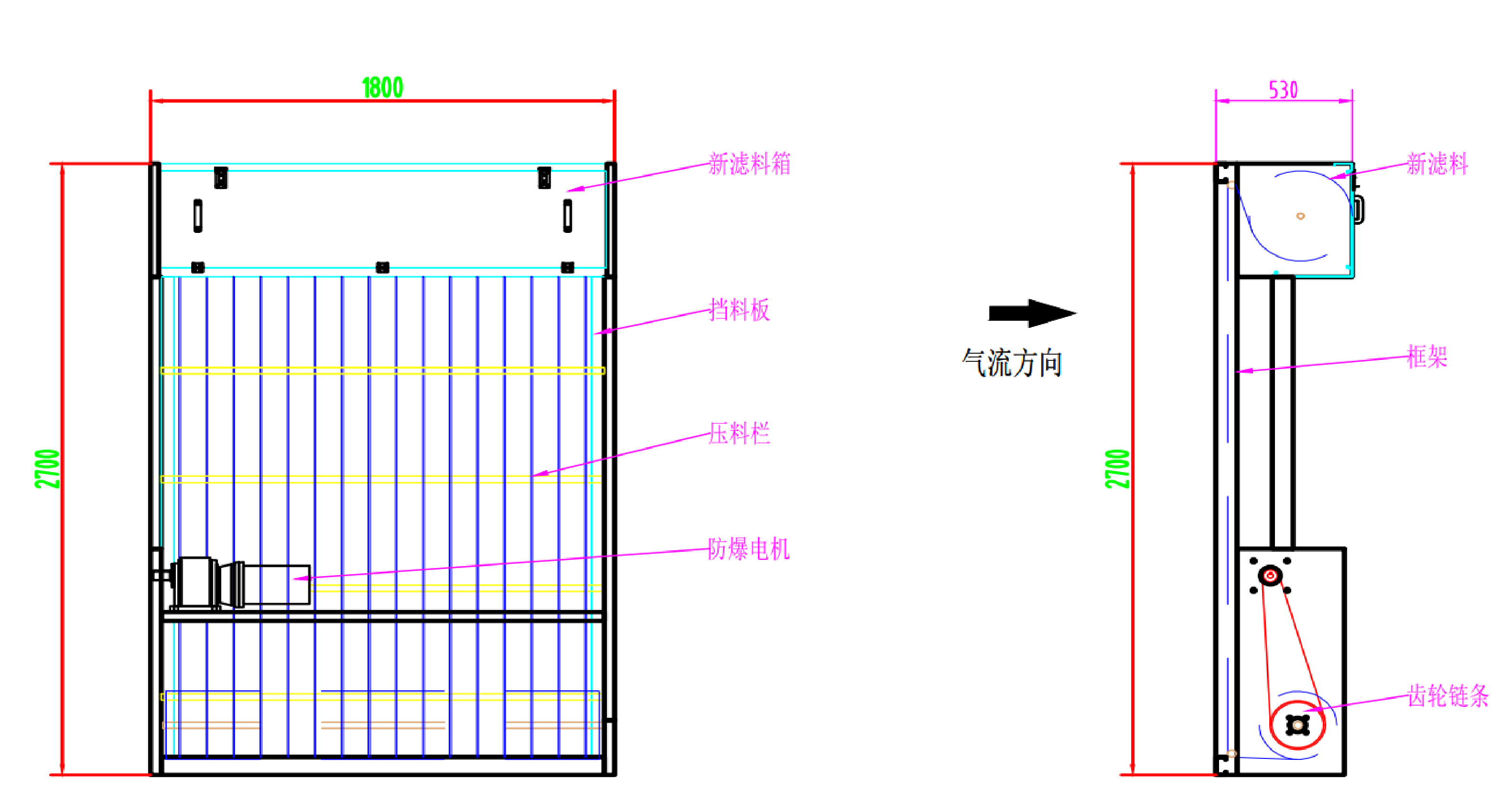
HRF-Ex防爆型自動卷繞式過濾器產品圖
工作原理
◆HRF-Ex防爆型自動卷繞式過濾器主要是由濾料、防爆傳動系統及防爆自動控制系統組成。新的濾料裝在上濾料箱,當進風帶有高濃度含塵空氣通過卷繞式過濾器后,過濾器前后壓差隨濾塵增加而逐步上升;當過濾器阻力上升到設定的終阻力值時,壓差開關開始動作,卷繞系統更新濾料;當達到卷簾時間,停止傳動,更新濾料工作完畢,重新進行過濾。本機目前共有四種類型支持定制:Ex防爆總標志ib級本質安全型;II 廠用防爆設備;B適用易燃易爆氣體為B類氣體(包括A類氣體);T4 該設備最高表面溫度不超過135度。
HRF-Ex防爆型自動卷繞式過濾器結構圖
設備特點
◆智能型自動更換濾料系統:通過壓差控制系統來判斷濾料是否需要更換,降低人工操作強度,確保過濾器運行達到最佳效率和最經濟模式。
◆防爆裝置:符合防爆等級Eexd IIBT4,防護等級IP55。在處理粉塵時,有效的避免了因靜電、火花產生的爆炸。
◆壓差控制系統:在濾料的進出風面安裝有壓差測試儀,根據使用環境要求預設定濾料使用的終阻力。當壓差大于設定的阻力時,PLC發給電機運轉信號,電機開始換料。
◆換料精確控制系統:控制柜設置有自動檔(就地)、手動檔(直接)、PLC(遠程)三個檔位設置,滿足多種需求。
◆報警功能:設備濾料用完時,控制柜上的報警燈就會亮,同時PLC輸出報警信號,中控室若有信號接收裝置,就能收到警報信號。
◆傳動系統平穩:采用國際著名品牌減速電機,軸與軸之間以1:1的速比運用鏈條傳動,有效的保證機器的安全性與傳動的平穩性。
◆濾網優質:濾材由合成纖維呈密度梯度排列組合,通風除塵綜合性能好,阻力低、強度高,耐溫、無毒、無味、無揮發物。濾料的兩邊采用包邊設計,有效的防止濾料兩側的漏風現象。
◆堅固耐用:防爆自動卷簾過濾器整體采用表面陽極處理的鋁合金和不銹鋼材質,可在耐腐蝕,耐潮濕的環境中使用。
◆模塊拼裝:采用模塊式拼接的方式,連接緊固,拼裝簡便,特別適合大面積的工作環境。
HRF-Ex防爆型自動卷繞式過濾器三視圖
更換濾料
1、當整卷濾料用完時,電控箱面板上的濾料數字報警,控制板上紅燈常亮,提醒更換濾料。
2、將設備打到手動檔,將濾料全部卷到下卷軸。
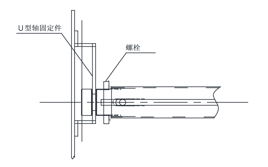
3、松開下卷軸固定螺栓螺母(一端一根)。
HRF-Ex防爆型自動卷繞式過濾器濾芯結構圖
4、將濾料和下卷軸拿下,抽出下卷軸。
5、打開上料箱,松開兩邊的螺栓螺母,拿下上卷軸。
6、將上卷軸穿過新的濾料中芯,裝進上料箱(注意:上卷軸必須要卡進上支撐卡槽內)。
7、將濾料穿過上下兩道導軌,卷到下卷軸上,用固定鋼絲壓緊,手動設備,等下卷軸拉緊濾料后恢復到自動檔位。
維護方法
◆定期檢查上、下濾料軸兩端的軸承是否滑動正常。
◆檢查控制柜接線是否松動。
◆用干布擦拭控制箱外面的灰塵,保持控制柜元器件的干燥。
◆檢查傳動部分,檢查鏈條是否松,如果松就要調節張力輔助輪的位置,調節至鏈條不能彎曲。
◆檢查設備上的螺栓有無松動。
整體結構圖 鏈條傳動示意圖
運用范圍
◆主要應用于石油、化工、燃氣、冶金、紡織、采礦、制藥、食品、糧油加工等含塵氣體度較高或具有易燃易爆介質隱患的行業。
上濾料軸左總成 上濾料軸右總成 下卷軸
參數
◆過濾效率等級:G4-F9(EN779)
◆風速:建議值≤2.5m/s
◆初阻力:≤70Pa
◆終阻力:建議值250-300Pa
◆功率:120W
◆電源:~220V/50HZ
◆環境空氣溫度:-10℃~+40℃
◆使用環境相對濕度:90%RH
HRF-Ex防爆型自動卷繞式過濾器產品圖

